Turnstile Wiring Diagram
This upgrade kit completely replaces any relays FP0 type PLCs and power supply that your present turnstile has installed. And it has built in WEB management and we can manage.
Https Www Smartking Com Download Manuals Manual Sk212900 Pdf
Plug the control head into a grounded outlet receptacle.
Turnstile wiring diagram. K T-4051 CAB is large enough to accommodate the battery backup supply and the necessary wiring connections for most applications. Power on when everything is confirmed. Self-Centering The turnstile arms automatically return to home position once rotation has been completed.
Lt connects 2 card readers to realize card swiping for door entry or exit and anti-pass back. Size of the turnstile can vary but is typically small enough to discourage two persons passing the Turnlock. When asked by a customer we generally work on an average flow rate of 1 person every 6 seconds.
The factory default time-out setting is. Connect access control inputs see wiring diagram Ground the power supply to the frame utilizing the provided grounding tab located near the control head. 3 Adjustment of limit photoelectric switch.
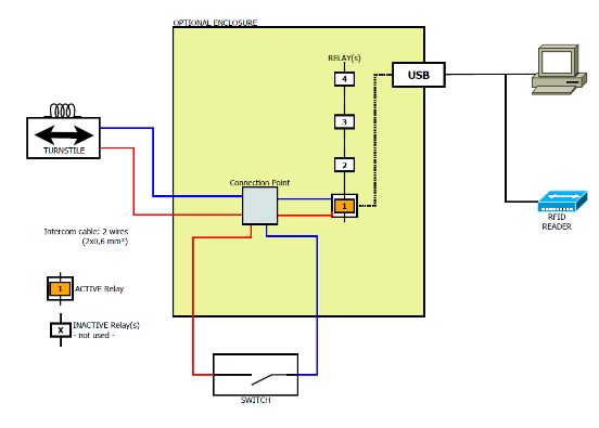
A copy of wiring diagram of turnstile a set of turnstile. It means were committed to improvement within every facet of our operation. If you are in possession of additional information please feel free to donate copies so that we may share them with our customers.
2 Check the wire connection. Upgrade Controller for Robot Philips Burle Dearborn Full Height Turnstiles except MD Metal Detector equipped including STG CSTG and ASTG Turnstile Models. Same as RS422 but connect GRNYEL and ORGWHT.
Before normal use please make sure the turnstile function test is qualified. Turnstile Wiring Diagrams Standard Wiring Diagram for all units except Beacon. Do not touch charged parts such as switching power supplies resistors lamps and.
ROTALOK TURNSTILE MECHANISM The ROTALOK rotation locking mechanism is fitted to the waist height turnstile. Reader Transmit White. Warhawk Road Conifer CO 80433.
There is no limitation of device qty. During maintenance please check the fastening bolts. Use 16AWG copper wire for low-voltage power and 22AWG copper wire for access control integration.
The typical sizes of a 25 50cm width rotor arm result in a capacity of 25 to 30 persons per minute in one direction depending on the authorization system chosen. Thats why were proud to have differentiated ourselves by making a commitment to ISO 90012015 protocols. TURNSTILE FLOW RATE Refer to Turnstile flow rate in the TRIUMPHTITAN technical training manual.
Get turnstile drawings on wwwTURNSTILESus security turnstiles turnstile railings and control heads. At Controlled Access ensuring customer satisfaction begins with our hiring process and ends with the customers acceptance of a quality product. Installation and wiring to be performed only by qualified service personnel.
Reader Receive - RS485 2-wire. Device must be grounded. 2 Hardware Configurations Double SwingWing Turnstile is two-IR one-way SwingWing Turnstile.
Time-Out When the turnstile receives an activation unlock signal the user is allowed a set time to pass through the turnstile before it automatically re-locks. EMT Electrical Metallic Tubing conduit knockouts are provided in 22 cm 78 on all sides of the cabinet. User must follow wiring diagram to connect devices.
To check the mains wiring according to the wiring diagram. Reader Receive Orange. TCPIP turnstile access controller is one of TCPIP access controllers which use standard industrial TCPIP network.
Turnstile can vary but is typically small enough to discourage two persons passing the THT-100. Check the power supply wiring and other wiring the entire device correctly. The power supply cabinet Turnstiles part no.
Examine the wire connection according to the wire diagram and the equipment should be well in earth line. Reader Transmit - Yellow. Follow National Electrical Codes NFPA70 or equivalent and local codes.
Many of these documents have been graciously supplied by our loyal customers. The typical sizes of a 25 50cm width rotor arm result in a capacity of 25 to 30 persons per minute in one direction depending on the authorization system chosen. A new life for your turnstile.
DS-A01 TCPIP Turnstile Access Controller. Pedestrian Control and Automation Solutions. Internal Fuses one 1 Amp Fast Blow CPU Card and two 2 Amp Fast Blow Motor Controller Card.
Power should only be applied to the unit when all con-.
Https Www Smartking Com Download Manuals Manual Sk212900 Pdf
Protect Employee Privacy Turnstile Portal Access Control Integration

Turnstile Parts Retrofit Kit Control Board Turnstiles Us
Comprehensive Wiring Diagram Of Parking Lot Tripod Turnstile Swing Turnstile

Turnstiles Installation Guides Instructions Controlled Access
Https Mwk Mx Wp Content Uploads Descargas Torniquetes Tripoide 2b Att301 2b Att203 2b Att301 Tripod Turnstile User Manual V2 4 1 Pdf
How To Install Fingertec Q2i On Turnstile Fingertec Technical Blog
6500 Electronic Control Head Turnstiles

Turnstile With Cardkey Access Control Kits

Tcp Ip Turnstile Access Controller Ds A01 Global Security Turnstile Gates Supplier Daosafe






